ГОСТ 6727-80
| ГОСТ 6727-80: Проволока из низкоуглеродистой стали холоднотянутая для армирования железобетонных конструкций |
Технические
условия
Cold-drawn low-carbon steel wire for reinforced concrete.
Specifications
Дата введения 1983-01-01
Информационные данные
1. РАЗРАБОТАН И ВНЕСЕН Министерством черной металлургии СССР
РАЗРАБОТЧИКИ Е.М. Киреев, К.Г. Залялютдинов, Х.Н. Белалов, Н.А. Галкина, Т.А. Коршунова, К.В. Михайлов, В.И. Бондаренко, В.М. Скубко
2. УТВЕРЖДЕН И ВВЕДЕН В ДЕЙСТВИЕ Постановлением Государственного комитета СССР по стандартам от 15.05.80 № 2108
3. ВЗАМЕН ГОСТ 6727-53
4. ССЫЛОЧНЫЕ НОРМАТИВНО-ТЕХНИЧЕСКИЕ ДОКУМЕНТЫ
| Обозначение НТД, на который дана ссылка | Номер пункта, подпункта, приложения |
| ГОСТ 1579-93 | 4.6 |
| ГОСТ 6507-90 | 4.3, 4.4, приложение 1 |
| ГОСТ 12004-81 | 4.5 |
| ГОСТ 14192-96 | 5.6 |
| ГОСТ 15102-75 | 5.3 |
| ГОСТ 15150-69 | 5.4 |
| ГОСТ 15846-79 | 5.5 |
| ГОСТ 20435-75 | 5.3 |
| ГОСТ 21650-76 | 5.1a |
| ГОСТ 22225-76 | 5.3 |
| ГОСТ 24597-81 | 5.1a |
| ОСТ 14-15-193-86 | 2.1, 5.1 |
5. Ограничение срока действия снято по протоколу 2-93 Межгосударственного Совета по стандартизации, метрологии и сертификации (ИУС 2-93)
6. ПЕРЕИЗДАНИЕ (сентябрь 1998 г.) с Изменениями № 1, 2, 3, 4, утвержденными в декабре 1984 г., июне 1987 г., октябре 1988 г., феврале 1990 г. (ИУС 3-85, 10-87,1-89, 5-90)
Настоящий стандарт распространяется на проволоку из низкоуглеродистой стали холоднотянутую периодического профиля класса Вр-1 для армирования железобетонных конструкций.
(Измененная редакция, Изм. № 2, 3).
1. ОСНОВНЫЕ ПАРАМЕТРЫ И РАЗМЕРЫ
1.1. (Исключен, Изм. № 3).
1.2. Основные параметры и размеры проволоки должны соответствовать указанным в табл. 1.
Обозначения размеров проволоки приведены на чертеже.
Таблица 1 мм
| Номинальный диаметр проволоки | Номинальный размер a | Предельные отклонения на размер a | Глубина вмятин h | Предельные отклонения до глубины вмятин | Номинальный шаг вмятин s | Предельные отклонения по шагу вмятин | Длина выступа b | Предельные отклонения по длине выступа |
| +0,03 | ||||||||
| 3,0 | 3,0 | -0,09 | 0,15 | 2,0 | 0,6 | |||
| +0,04 | ||||||||
| 4,0 | 4,0 | -0,12 | 0,20 | 2,5 | 0,8 | |||
| +0,05 | +0,05 | ±0,2 | ±0,2 | |||||
| 5,0 | 5,0 | -0,15 | 0,25 | -0,02 | 3,0 | 1,0 |
Примечание. Номинальный шаг вмятин s и радиус сопряжения поверхности вмятин с выступами R являются справочными величинами для конструирования профилирующего инструмента и на проволоке не проверяются.
(Измененная редакция, Изм. № 2, 3).
1.3. Радиус сопряжения поверхности вмятин с выступами R для проволоки всех диаметров должен быть равен (2,5±0,5) мм.
Допускается относительное смещение противоположных вмятин до 0,5S и расположение их по винтовой линии оси проволоки.
(Измененная редакция, Изм. № 2).
1.4. Разность размеров a и a1 не должна превышать поля допуска на размер a .
Пример условного обозначения проволоки номинальным диаметром 3,0 мм:
Проволока 3 Вр1 ГОСТ 6727-80.
(Измененная редакция, Изм. № 3).
2. ТЕХНИЧЕСКИЕ ТРЕБОВАНИЯ
2.1. Проволока должна изготовляться в соответствии с требованиями настоящего стандарта по технологическому регламенту, утвержденному в установленном порядке.
Проволока изготовляется из катанки по ОСТ 14-15-193.
(Измененная редакция, Изм. № 1, 2).
2.2. Механические свойства проволоки должны соответствовать указанным в табл. 2.
Таблица 2
| Номинальный диаметр проволоки, мм | Разрывное усилие P , гН (кгс) | Усилие, соответствующее условному пределу текучести P0,2 , гН (кгс) | Число перегибов | Относительное удлинение d 100 , % |
| не менее | ||||
| 3,0 | 39(400) | 35(355) | 4 | 2,0 |
| 4,0 | 71(720) | 62(630) | 2,5 | |
| 5,0 | 106(1085) | 97(985) | 3,0 | |
(Измененная редакция, Изм. № 1, 3).
2.3. На поверхности проволоки не должно быть трещин, плен, закатов, раковин.
Допускаются риски и царапины глубиной не более половины предельных отклонений на размер a и налет ржавчины.
(Измененная редакция, Изм. № 3).
2.4. Проволока изготовляется в мотках массой 500-1500 кг. Допускается изготовление проволоки в мотках массой 20-100 кг. Каждый моток должен состоять из одного отрезка проволоки. Проволока должна быть свернута в мотки неперепутанными рядами.
(Измененная редакция, Изм. № 2).
2.5. Линейная плотность проволоки должна соответствовать указанной в табл. 3.
Таблица 3
| Номинальный диаметр проволоки, мм | Линейная плотность, кг, не более |
| 3,0 | 0,052 |
| 4,0 | 0,092 |
| 5,0 | 0,144 |
Расчетная площадь поперечного сечения и теоретическая линейная плотность проволоки приведены в приложении 2.
(Измененная редакция, Изм. № 2, 3).
3. ПРАВИЛА ПРИЕМКИ
3.1. Проволоку принимают партиями. Партия должна состоять из проволоки одного диаметра, оформленной одним документом о качестве, в котором следует указывать:
- товарный знак или наименование и товарный знак предприятия-изготовителя;
- условное обозначение проволоки;
- результаты испытаний;
- количество мотков;
- номер партии;
- массу нетто партии;
- изображение государственного Знака качества для проволоки высшей категории качества.
(Измененная редакция, Изм. № 1, 2, 3).
3.2. Размер a , разность размеров a и a1 и качество поверхности проволоки проверяют на каждом мотке.
(Измененная редакция, Изм. № 3).
3.3. Для проверки механических свойств проволоки и параметров профиля проволоки от партии должно быть отобрано 3% мотков, но не менее 5 мотков.
(Измененная редакция, Изм. № 2).
3.4. При получении неудовлетворительных результатов испытаний хотя бы по одному из показателей проводят повторные испытания на удвоенной выборке. Результаты повторной проверки распространяют на всю партию.
4. МЕТОДЫ ИСПЫТАНИЙ
4.1. Для каждого вида испытаний отбирают по одному образцу с одного конца мотка.
4.2. Качество поверхности проволоки контролируется невооруженным глазом.
4.3. Размеры a и a1 проволоки измеряют микрометром по ГОСТ 6507.
Величина разности размеров a и a1 определяется как среднее арифметическое значение трех измерений, проведенных на участке длиной 1 м.
(Измененная редакция, Изм. № 2, 3).
4.4. Параметры профиля проволоки определяют как среднее арифметическое трех измерений, проведенных на участке длиной 1 м с каждой стороны.
Глубина вмятин h измеряется микрометром по ГОСТ 6507, оборудованным специальной пяткой (приложение 1).
Длина выступа b измеряется отсчетным микроскопом МПБ-2, изготовленным по технической документации.
При разногласиях в измерении параметров профиля проволоки контроль проводится по линейной плотности проволоки (табл. 3).
Линейная плотность проволоки определяется как частное от деления массы двух образцов длиной 1 м, взвешенных с погрешностью до 0,001 кг, на их длину, измеренную с погрешностью до 0,001 м.
(Измененная редакция, Изм. № 2, 3).
4.5. Испытание проволоки на растяжение проводят по ГОСТ 12004.
4.6. Испытание проволоки на перегиб проводят по ГОСТ 1579. Проволока диаметром 3,0 и 4,0 мм испытывается на валиках диаметром 20 мм, а диаметром 5,0 мм - на валиках диаметром 30 мм.
При испытании проволоки образец зажимается так, чтобы вмятины были обращены к губкам прибора.
4.5, 4.6. (Измененная редакция, Изм. № 2).
4.7. Глубину рисок и царапин определяют удалением их зачисткой с последующим сравнительным измерением в зачищенном и незачищенном местах.
(Измененная редакция, Изм. № 2, 3).
5. УПАКОВКА, МАРКИРОВКА, ТРАНСПОРТИРОВАНИЕ И ХРАНЕНИЕ
5.1. Каждый моток массой 500-1500 кг должен быть равномерно перевязан по окружности не менее чем в четырех местах, а моток массой 20-100 кг - не менее чем в трех местах.
По требованию потребителя моток массой 500-1500 кг должен иметь промежуточные вязки, расположенные внутри мотка.
В качестве увязочных материалов применяется катанка по ОСТ 14-15-193 или термически обработанная проволока по нормативно-технической документации.
Концы мотка должны быть аккуратно уложены и легко находимы.
(Измененная редакция, Изм. № 2, 4).
5.1a. Мотки проволоки массой 20-100 кг связывают в бухты.
Масса грузового места не должна превышать 1500 кг. По согласованию изготовителя с потребителем допускается увеличение массы грузового места.
Грузовые места формируют в транспортные пакеты по ГОСТ 24597 и ГОСТ 21650.
(Введен дополнительно, Изм. № 2).
5.2. К каждому мотку (бухте) должен быть прочно прикреплен ярлык, на котором указывают:
- товарный знак или наименование и товарный знак предприятия-изготовителя;
- условное обозначение проволоки;
- номер партии;
- клеймо технического контроля;
- изображение государственного Знака качества для проволоки высшей категории качества.
(Измененная редакция, Изм. № 1, 2).
5.3. Проволоку перевозят транспортом всех видов в соответствии с правилами перевозки грузов, действующими на транспорте данного вида. Размещение и крепление грузов в транспортных средствах, перевозимых по железной дороге, должно соответствовать техническим условиям погрузки и крепления грузов, утвержденными Министерством путей сообщения СССР. Транспортирование по железной дороге проводится повагонными и малотоннажными или мелкими отправками.
Допускается транспортирование проволоки в универсальных контейнерах по ГОСТ 15102, ГОСТ 20435, ГОСТ 22225.
5.4. Хранение проволоки - по условиям 5 ГОСТ 15150.
5.3, 5.4. (Измененная редакция, Изм. № 2).
5.5. Транспортирование проволоки, отправляемой в районы Крайнего Севера и районы, приравниваемые к ним, проводится по ГОСТ 15846.
(Измененная редакция, Изм. № 3).
5.6. Транспортная маркировка - по ГОСТ 14192.
(Введен дополнительно, Изм. № 2).
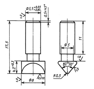
ПРИЛОЖЕНИЕ 1
Обязательное
Специальная пятка к микрометру типа МК по ГОСТ 6507 для измерения глубины вмятин
Материал - сталь ШХ15, У10А, У12А.
Твердость - HRC48-50
ПРИЛОЖЕНИЕ 2
Справочное
Расчетная площадь поперечного сечения и теоретическая линейная плотность проволоки
| Номинальный диаметр проволоки, мм | Расчетная площадь поперечного сечения, мм2 | Теоретическая линейная плотность, кг |
| 3,0 | 7,07 | 0,052 |
| 4,0 | 12,57 | 0,092 |
| 5,0 | 19,63 | 0,144 |
ПРИЛОЖЕНИЕ 2. (Измененная редакция, Изм. № 2, 3).