ГОСТ 14918-80

ГОСУДАРСТВЕННЫЙ СТАНДАРТ СОЮЗА СССР

СТАЛЬ ТОНКОЛИСТОВАЯ ОЦИНКОВАННАЯ ГОСТ

С НЕПРЕРЫВНЫХ ЛИНИЙ 14918-80

Технические условия

Continiously galvanized sheet steel Взамен

Technical conditions ГОСТ 14918-69

Постановлением Государственного комитета СССР по стандартам от 31 марта 1980 г. № 1465 срок действия установлен с 01.07.1981 г.

до 01.07.1986 г.

Несоблюдение стандарта преследуется по закону

Настоящий стандарт распространяется на листовую и рулонную холоднокатаную сталь, оцинкованную горячим способом в агрегатах непрерывного цинкования, предназначенную для холодного профилирования, под окраску, изготовления штампованных деталей, посуды, тары и других металлических изделий.

1. КЛАССИФИКАЦИЯ

1.1. Сталь тонколистовая оцинкованная (ОЦ) подразделяется:

по назначению на группы

для холодной штамповки - XШ,

для холодного профилирования - XП,

под окраску - ПК,

общего назначения - ОН;

по способности к вытяжке (сталь группы ХШ) на категории

нормальной вытяжки - Н,

глубокой вытяжки - Г,

весьма глубокой вытяжки - ВГ;

по равномерности толщины цинкового покрытия

с нормальной разнотолщинностью - НР,

с уменьшенной разнотолщинностью - УР.

1.2. По согласованию потребителя с изготовителем оцинкованная сталь может изготовляться:

с узором кристаллизации - КР,

без узора кристаллизации - МТ.

1.3. В зависимости от толщины покрытия оцинкованная сталь делит­ся на 3 класса в соответствии с указанным в табл. 1.

Таблица 1

Класс толщины Масса 1 м2  слоя покрытия, нанесенного с двух сторон, г Толщина покрытия, мкм
П (повышенный) Св. 570 до 855 включ. Св. 40 до 60 включ.
1 Св. 258 до 570 включ. Св. 18 до 40 включ.
2 От 142,5 до 258 включ. Св. 10 до 18 включ.

При изготовлении стали с дифференцированным покрытием толщина его на одной стороне листа должна соответствовать 2-му классу, а на другой стороне - классу П (для листов) или классу 1.

2. СОРТАМЕНТ

2.1. Оцинкованную сталь изготовляют шириной от 710 до 1500 мм включительно, толщиной от 0,5 до 3,0 мм включительно.

2.2. Размеры, предельные отклонения и другие требования к сортаменту должны соответствовать требованиям ГОСТ 19904-74.

Оцинкованную сталь, которой в установленном порядке присвоен государственный Знак качества, изготовляют:

с серповидностью рулонной стали не более 6 мм на 3 м длины;

с плоскостностью ПВ и ПУ и допускаемыми отклонениями толщины по нормам повышенной точностью прокатки;

с телескопичностью рулонов при ширине стали до 1000 мм не более 30 мм.

Примеры условных обозначений

Оцинкованная сталь толщиной 0,8, шириной 1000, длиной 2000 мм, нормальной точности прокатки Б, нормальной плоскотности ПН, с необрезной кромкой НО группы ОН, с узором кристаллизации КР, первого класса цинкового покрытия по ГОСТ 14918-80:

1

Оцинкованная рулонная сталь толщиной 1,2, шириной 1000 мм, повышенной точности прокатки А, с обрезной кромкой О, марки 08кп, весьма глубокой вытяжки ВГ, без узора кристаллизации МТ, с уменьшенной разнотолщинностью УР, второго класса покрытия по ГОСТ 14918-80:

2

Оцинкованная рулонная сталь с дифференцированным покрытием толщиной 0,5, шириной 710 мм, повышенной точности прокатки А, высокой плоскостными ПВ, с обрезной кромкой О, марки БСт3кп, под окраску ПК, без узора кристаллизации МТ с уменьшенной разнотолщинностью УР, с покрытием на одной стороне первого, а на другой второго класса по ГОСТ 14918-80:

3

Примечание. Категория стали ХШ в заказе не указывается, а в условных обозначениях проставляется индекс способности к вытяжке (Н, Г или ВГ).

3. ТЕХНИЧЕСКИЕ ТРЕБОВАНИЯ

3.1. Оцинкованная сталь должна изготовляться в соответствии с требованиями настоящего стандарта по технической документации, утвержденной в установленном порядке.

3.2. Оцинкованную сталь изготовляют из углеродистой холодно­катаной рулонной стали с качеством поверхности по ГОСТ 16523-70. Марки стали должны соответствовать приведенным в табл. 1а.

Таблица 1а

Оцинкованная сталь Марка холоднокатаной стали для изготовления оцинкованной стали
Группа категория вытяжки первой категории качества высшей категории качества
ХШ Н,Г Марки стали с химическим составом по ГОСТ 9045-80, ГОСТ 1050-74 и ГОСТ 380-71 Марки стали с химическим составом по ГОСТ 9045-80, а также ГОСТ 1050-74 с содержанием серы не более 0,035% и фосфора - не более 0,20% и ГОСТ 380-71 с массовой долей серы не более 0,035% и фосфора - не более 0,025%.
ХШ ВГ

08пс, 08кп, 08Ю по ГОСТ 9045-80

08пс, 08кп, 10кп по ГОСТ 1050-74

08пс, 08кп, 08Ю по ГОСТ 9045-80

08пс, 08кп, 10кп по ГОСТ 1050-74 с массовой долей серы не более 0,030% и фосфора - не более 0,020%.

ХП, ПК -

08пс по ГОСТ 9045-80

08, 08пс по ГОСТ 1050-74

БСт0, БСт1, БСт2, БСт3 всех степеней раскисления по ГОСТ 380-71

08пс по ГОСТ 9045-80

08, 08пс по ГОСТ 1050-74

БСт0, БСт1, БСт2, БСт3 всех степеней раскисления по ГОСТ 380-71 с массовой долей серы не более 0,04% и фосфора - не более 0,035%.

ОН - Марки стали с химическим составом по ГОСТ 9045-80, ГОСТ 1050-74 и ГОСТ 380-71 Марки стали с химическим составом по ГОСТ 9045-80, ГОСТ 1050-74 и ГОСТ 380-71 с массовой долей серы не более 0,045% и фосфора - не более 0,040%.

3.3. Для цинкования применяют цинк марок Ц0 и Ц1 по ГОСТ 3640-79 с добавлением в ванну алюминия, свинца и других металлов. Допускается легирование свинцом за счет введения цинка марки Ц2.

3.4. Поверность оцинкованной стали должна быть чистой, со сплошным покрытием.

3.4.1.Не допускаются нарушения сплошности покрытия в виде растрескивания на мелких наплывах, расположенных на дефектах стальной основы, классификация и размеры которых предусмотрены ГОСТ 16523-70

3.4.2. На листах и полосах с необрезной кромкой не допускаются рванины кромок глубиной, превышающие предельные отклонения по ширине.

3.5. Для оцинкованной стали групп ХШ и ХП допускаются мелкие наплывы (натеки, наслоения), крупинки и неравномерная кристаллизация цинка, следы от перегибов полосы и регулирующих роликов, местная шероховатость покрытия (сыпь), легкие царапины и потертость, не нарушающие сплошность цинкового покрытия, светлые и матовые пятна, неравномерность окраски пассивной пленки.

3.6. Для оцинкованной стали группы ПК допускаются темные точки и дорожка (следы) от деформированных мелких наплывов (натеки, наслоения), крупинок и местной шероховатости покрытия (сыпь), матовый и размытый узор кристаллизации цинка, следы от перегибов полосы, легкие царапины и потертость, не нарушающие сплошность цинкового покрытия, светлые и матовые пятна, неравномерная окраска пассивной пленки.

3.7. По ттребованию потребителя пассивная пленка должна иметь равномерную окраску.

3.8. Уменьшенная разнотолщинность цинкового покрытия УР должна быть для класса П - не более 16, для класса 1 - не более 10, для класса 2 - не более 4 мкм. Оцинкованная сталь нормальной разнотолщности НР должна иметь толщину покрытия в пределах, уазанных в табл.1.

Оцинкованную сталь высшей категории качества изготовляют с разнотолщинностью цинкового покрытия для стали групп ХШ, ХП и ПК класса П - не более 12, класса 1 - не более 8 и класса 2 - не более 3 мкм.

3.9. В месте изгиба оцинкованной стали толщиной до 1,0 мм включительно при испытании на прочность сцепления покрытия с основным металлом при изгибе на 180° не должно быть отслоений цинкового покрытия, обнажающего стальную поверхность. Допускаются сетка мелких трещин по всей длине изгиба и отслоения покрытия на расстоянии до 6 мм от краев образца.

3.10. Механические оцинкованной стали должны соответствовать нормам, указанным в табл. 1б.

  1. глубина сферической лунки оцинкованной стали группы ХШ должна соответствовать нормам, приведенным в табл. 1б.
  2. Для оцинкованной стали группы ХШ высшей категории качества величина относительного удлинения должна быть на 1 ед. больше норм табл. 1б, а глубина сферической лунки - на 0,2 мм больше норм табл. 1в.

Таблица 1 б

Оцинковая сталь Временное сопротивление Предел текучести Относительное удлинение s4 , %, не менее, при L0= 80 мм для стали толщиной, мм
группы категории вытяжки разрыву sв , МПа sт , Мпа, не менее до 0,7 св 0,7 до 1,5 св 1,5 до 2,0 св 2,0
ХШ

Н

Г

ВГ

300-490

275-430

255-410

-

-

-

21

23

26

22

24

28

23

25

29

24

26

30

ХП, ПК - - 230 20 22 - -
ОН - - - - - - -

Примечание. Значения временного сопротивления разрыву и относительного удлинения для оцинкованной стали группы ХШ категорий вытяжки Н и Г относительного удлинения для стали групп ХП и ПК факультативны до 01.07.89.

При расчете временного сопротивления и предела текучести толщину цинкового покрытия не учитывают.

Таблица 1в

Толщина оцинковой стали Глубина сферической лунки для категорий вытяжки, не менее
  ВГ Г Н

0,5

0,6

0,7

0,8

0,9

1,0

1,1

1,2

1,3

1,4

1,5

1,6

1,7

1,8

1,9

2,0

8,5

8,9

9,2

9,5

9,9

10,1

10,3

10,5

10,7

10,8

11,0

11,3

11,4

11,5

11,6

11,7

8,0

8,5

8,9

9,3

9,6

9,9

10,1

10,3

10,5

10,6

10,8

11,0

11,1

11,2

11,3

11,4

6,9

7,2

7,5

7,8

8,2

8,6

8,7

8,8

8,9

9,0

9,1

9,5

9,6

9,7

9,8

9,9

Примечания:

  1. Для оцинковой стали промежуточных толщин значения глубины сферической лунки должны соответствовать нормам, установленным для ближайшей меньшей толщины.
  2. Значения глубины сферической лунки для оцинковой стали толщиной свше 1,5 мм являются факультативными до 01.07.89.
  3. При испытании на приборах типа МТЛ-10 г нормы глубины сферической лунки уменьшаются на 0,3 мм.

3.11. Оцинкованную сталь группы ХШ изготовляют с величиной зерна феррита баллов 7, 8, 9, 10 по ГОСТ 5639-82 для категорий вытяжки ВГ и не ниже балла 6 для категорий вытяжки Г.

Для оцинкованной стали категории вытяжки ВГ допускается неравномерность зерна в пределах двух смежных номеров, для листов категории Г - в пределах трех смежных номеров.

3.12. Для оцинкованной стали группы ХШ категории вытяжки ВГ допускается наличие структурно-свободного цементита в пределах баллов 0, 1, 2 и 3 шкалы 1 по ГОСТ 5640-68. Для категорий вытяжки Г и Н наличие структурно-свободного цементита не нормируется.

  1. Количество перегибов без излома оцинкованной стали групп ХП, ПК, ОН должно соответствовать нормам, установленным в табл. 1г.

Таблица 1г

Толщина оцинкованной стали, мм Количество перегибов

до 0,8 мм

св. 0,8 до 1,2 мм

св. 1,2 до 2,0 мм

св. 2,0

8

5

3

2

Примечание. Нормы перегибов оцинкованной стали толщиной более 1,5 мм являются факультативными до 01.07.89.

3.14. (Исключен, Изм. №2).

4. ПРАВИЛА ПРИЕМКИ

4.1. Оцинкованную сталь принимают партиями. Партия должна состоять из листов или рулонов одной группы оцинкованной стали одного размера, одного вида и класса толщины покрытия, вида консевации, одной марки и плавки (сталь группы ХШ, ХП и ПК) и категории вытяжки (сталь группы ХШ), должна быть оформлена и сопровождатся документом о качестве по ГОСТ 7566-81 с дополнением значений факультативных показателей качества.

Масса партии не должна превышать сменного производства агрегата.

4.2. В документе о качестве результаты испытаний и данные химического состава указываются по требованию потребителя.

Для оцинкованной стали, которой в установленом порядке присвоен государственный Знак качества, в документе о качестве проставляется обозначение государственного Знака качества.

4.3. Для контроля размеров и качества поверхности отбирают 6 % листов или один рулон от партии.

4.4. Для контроля прочности сцепления покрытия, механических свойств микроструктуры отбирают один лист или один рулон от партии.

4.5. При получении неудовлетворительных результатов проверки хотя бы по одному из показателей повторную проверку проводят по ГОСТ 7566-81.

5. МЕТОДЫ ИСПЫТАНИЯ

5.1. Качество поверхности листов и рулонов проверяют внешним осмотром без применения увеличительных приборов.

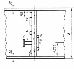
5.2. Для проведения испытаний из каждого отобранного листа или рулона вырезают образцы в соответствии с требованиями чертежа и табл. 2.

Схема вырезки образцов для испытаний

(b  - ширина листа)

4

Таблица 2

Номер образца Рамеры образца, мм Методы испытаний
  ширина длина  
1, 2 50 150 На прочность сцепления цинкового покрытия с основным металлом
3, 4, 5 50 50 На определение массы цинкового покрытия и разнотолщинности
6 20 150 На перегиб
7 90 - На вытяжку сферической лунки (х  - место испытаний)
8 30 180-300 На растяжение
9, 10 30 40 Оценка микроструктуры

Примечание. Образцы вырезают с предельными отклонениями по размерам - 3 мм.

5.3. Для определения массы цинкового покрытия испытуемый образец обезжиривают, взвешивают, погружают в раствор окиси сурьмы (Sb2 O3 ) или хлористой сурьмы (SbCl3 ) в соляной кислоте и выдерживают до прекращения бурного газовыделения, затем образец вынимают из раствора, тщательно пормывают холодной, а затем горячей водой, высушивают фильтровальной бумагой и взвешивают. Обезжиривание производится спиртом этиловым синтетическим техническим.

Раствор окиси сурьмы или хлористой сурьмы готовят следующим способом: 20 г окиси сурьмы (или 32 г хлористой сурьмы) растворяют в 1000 мл концентрированной соляной кислоты (ГОСТ 3118-77) для второго и первого классов или 50 г сурьмы для класса П.

Массу цинкового покрытия, нанесенную с двух сторон листа, в граммах (т ) на 1 м2  вычисляют по формуле

5

(1)

где т 1  - масса трех образцов (3, 4 и 5) до растворения цинкового покрытия, с погрешностью 0,01 г, г;

т 2  - масса трех образцов (3, 4 и 5) после растворения цинкового покрытия, с погрешностью 0,01 г, г;

S  - фактическая площадь поверхности образцов с погрешностью 1.10-6  м2 , м2 .

Для определения масы цинкового покрытия допускается применять другие методы, обюеспечивающие необходимую точность.

Метод, указанный в настоящем стандарте, применяется при разногласиях в оценке.

5.4. Разнотолщинность покрытия в поперечном направлении листа определяют как абсолютную разность между максимальным и минимальным значениями толщины покрытия на образцах 3, 4 и 5 по формуле

6

(2)

для чего сначала рассчитывают толщину цинкового покрытия на каждом из образцов по формуле

7

(3)

где Т 3  - толщина покрытия соответствующего образца, мкм;

т 3  - масса образца до снятия цинка, г;

т 3 /  - масса образца после снятия цинка, г;

7,13 - плотность цинка, г/см3 ;

S 2  - площадь поверхности образца, см2

5.4.1. Среднее значение толщины и разнотолщинности цинкового покрытия поверхности листа с дифференцированным покрытием определяют и рассчитывают для каждой из сторон. Для этого, после обезжиривания образца, одну из сторон покрывают плотным слоем резинового клея или парафина и с противоположной стороны удаляют цинк, как указано выше. После повторного взвешивания клей или парафин снимают механическим путем или в горячей воде. Удаление цинкового покрытия с другой стороны образца проводят аналогично.

5.5. Испытание на перегиб проводят по ГОСТ 13813-68.

5.6. Испытание на вытяжку сферической лунки проводят по ГОСТ 10510-77. Делают два измерения в зоне испытаний и определяют среднее арифметическое значение.

5.7. Испытание на растяжение проводят по ГОСТ 11701-84.

5.8. Определение величины зерна феррита проводят по ГОСТ 5639-82 и структурно-свободного цементита - по ГОСТ 5640-68.

5.9. Испытание на изгиб оцинкованной стали толщиной до 1 мм включительно на угол 180° проводят по ГОСТ 14019-80. Образец оцинкованной стали испытывают на оправке, равной толщине проката.

Оцинкованная сталь высшей категории должна выдерживать испытания на изгиб на 180° без оправки до соприкосновения сторон.

По согласованию потребителя с изготовителем испытание на изгиб может быть заменено испытанием на двойной кровельный замок по ГОСТ 13814-68, а для оцинкованной стали группы ПК испытанием на приборе У-1А по ГОСТ 4765-73.

Оцинкованную сталь толщиной свыше 1,0 мм испытывают по требованию потребителя по методике, согласованной в установленном порядке.

5.10. Для контроля качества оцинкованной стали допускается применять неразрушающие методы контроля.

6. УПАКОВКА, МАРКИРОВКА, ТРАНСПОРТИРОВАНИЕ И ХРАНЕНИЕ

6.1. Маркировка, упаковка, транспортирование и хранение - по ГОСТ 7566-81 с дополнениями:

  1. Для защиты поверхности оцинкованной стали от коррозии производится консервация: пассивирование, промасливание или пассивирование и промасливание.

По требованию потребителя оцинкованную сталь не консервируют.

При отгрузке в районы Крайнего Севера и труднодоступные районы консервация обязательна.

  1. Листы оцинкованной стали формируют в пачку, укладывая один лист на другой. У листов с дифференцированным покрытием сторона со 2-м классом толщины покрытия должна быть обращена к низу пачки.

Торцовые и боковые поверхности пачки обкладывают швеллерами, изготовленными из отожженного стального листа толщиной не менее 0,4 мм по нормативно-технической документации.

К пачке снизу должны быть прикреплены деревянные бруски по ГОСТ 8486-86 и ГОСТ 2695-83 сечением не менее 80х80 мм или металлические бруски по нормативно-технической документации. Количество деревянных и металлических брусков при ширине пачки до 1200 мм - 2 шт.; свыше 1200 мм - соответственно 3 шт. и 2 шт.

  1. Рулоны из оцинкованной стали с дифференцированным покрытием свертывают так, что сторона со 2-м классом толщины цинкового покрытия располагается внутри рулона.
  2. Пачки и рулоны должны быть прочно обвязаны. Количество обвязок должно соответствовать требованиям ГОСТ 7566-81.

При отгрузке в районы Крайнего Севера и труднодоступные районы минимальное количество обвязок должно быть на единицу больше норм, установленных по ГОСТ 7566-81.

Для обвязки применяют металлическую ленту толщиной 1,2-2,0, шириной от 30 до 40 мм по ГОСТ 3560-73, ГОСТ 6009-74 или другой нормативно-технической документации.

Наружный диаметр и ширина рулонов не должны превышать 2 мм, длина, ширина и высота пачек соответственно - 6,2 и 1 м.

6.6. Масса одного грузового места должна быть не менее 3 т и не должна превышать 10 т.

До 01.01.88 по требованию потребителя масса пачки листов оцинкованной стали не должна превышать 5 т.

6.7. Транспортная маркировка грузовых мест должна наноситься по ГОСТ 14192-77 краской темного цвета на торцовой поверхности пачки и боковой поверхности рулона и содержать основные, дополнительные и информационные надписи.

6.8. Транспортирование оцинкованной стали железнодорожным транспортом осуществляют открытым подвижным составом в соответствии с правилами перевозки грузов, действующими на транспорте данного вида и условиями погрузки и крепления грузов, утвержденными МПС.

6.9. Хранение оцинкованной стали должно соответствовать условиям Ж3 по ГОСТ 15150-69, исключающим совместное нахождение с химически активными веществами.